当前位置:首页-产品中心-仓泵

仓泵

  • 来源:/ 日期:2022-09-16 发布人:admin
我们放眼市场,客户为看重的还是看中产品的质量和售后服务。身为厂,锐驰致力于完善售后服务质量,让更多的客户相信我们的产品以及信赖企业的品质。为了不断满足建筑生产的需求,人们对输送作业的要求不断提高。仓泵的生产与研发离不开科技与信息时代的发展,更离不开过硬的质量。
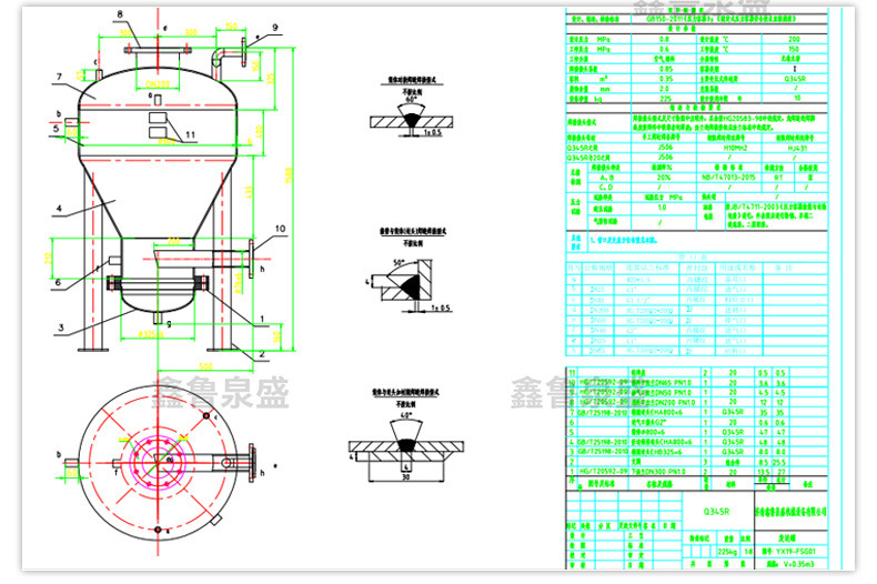
 HDF/V型仓式气力输送泵是吸取国内外同类产品技术与结构而设计、研发的新型设备。适用于电厂粉煤灰、水泥、 铸造型砂、矿粉、粮食、化工原料等粉粒状物料的输送,可根据具体地形布置输送管道,实现集中、分散、大高度、长距离输送,输送过程不受气候条件影响,能确保物料不受潮 ,利于生产和环境保护,本设备配置自动化操作台,可实现手动和自动控制,自动控制采用继电器或PLC微处理器两种形式。通过长期运行实践证明,其性能稳定,质量可靠,无粉尘污染,是较理想的气力输送设备。













联系
客服

18663713660 0531-83656168
7*24小时客服服务热线

微信
沟通

扫码微信沟通
顶部
X

截屏,微信识别二维码